Нови артикули
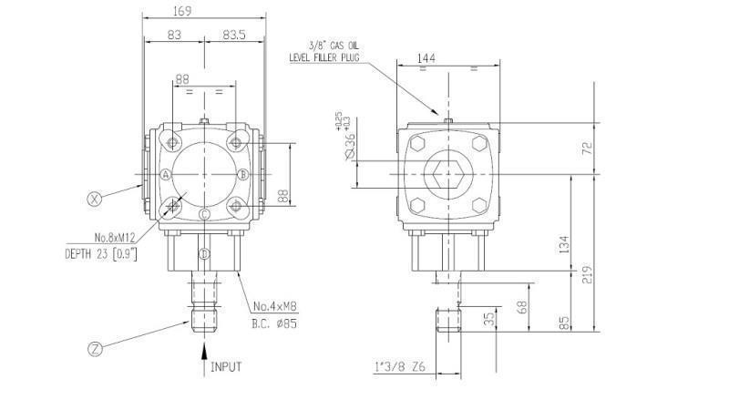
ЪГЛОВА СКОРОСТНА КУТИЯ TB-19J 1.46:1 (23HP-16.9KW)
Код:
100140
OEM:
9990000024728
Данъчна ставка
22 %
Цена без ДДС:
328,64 BGN
Цена с ДДС:
400,94 BGN
Ref:
24
Връщане или размяна:
14 дни
вращение на редуктора:
ляво/дясно (в зависимост от инсталацията на редуктора)
код на производителя:
9.259.871.20
Натоварване:
23 HP (16.9 kW)
тип редуктор:
TB-19J (ъглова предавка)
смазочно вещество:
масло SAE 90 1.0 литра трябва да се добави в редуктора.
входен вал:
кардан (1”3/8 – 6 зъба)


.jpg)
.jpg)
.jpg)




