Нови артикули
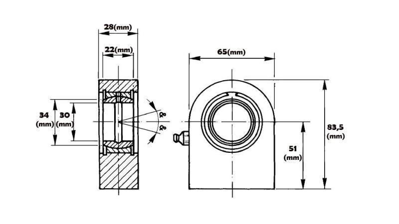
ЗАВАРЪЧНО ОКО - ПЛОЧА СЪЕДИНЕНИЕ Φ 30/65
Код:
10697
OEM:
9990000006182
Данъчна ставка
22 %
Цена без ДДС:
22,44 BGN
Цена с ДДС:
27,38 BGN
Ref:
78
Сферични лагери с око GE
– заваръчните съединения с око са проектирани за заваряване на хидравлични цилиндри, пръти, опори и други подобни части, където е необходимо движение. Поради своята конструкция, те са предназначени за по-високи натоварвания или капацитети. Освен това, те не изискват специална поддръжка, което води до значително дълъг живот.
Доставчик:
Италия
максимално динамично натоварване:
6.20 тона
стандарт:
DIN 648, Серия E, тип C
Връщане или размяна:
14 дни
Гаранция:
6 месеца







