Нови артикули
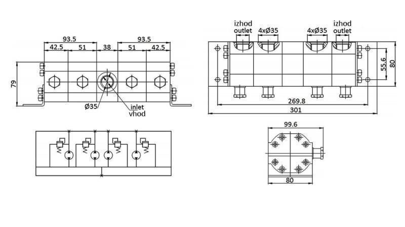
ХИДРАВЛИЧЕН ЗЪБЕН РАЗДЕЛИТЕЛ НА ПОТОК 4/1 (6.4-13.2ЛИТ - МАКС.240БАР) 3.1CC/СЕГ
Код:
13310
OEM:
9990000093014
Данъчна ставка
22 %
Цена без ДДС:
811,18 BGN
Цена с ДДС:
989,63 BGN
Ref:
4
Описание:
Хидравличният зъбен разделител на поток се използва като равномерно разпределение на потока. Те са взаимосвързани сегменти, които разделят входящия поток на равни или пропорционални части, позволявайки синхронно движение на множество задвижвания независимо от натоварването (земеделски мобилни машини, подемни платформи ...). Може да се използва и като усилвател за увеличаване на работното налягане в системите. Наличен разделител с два или четири изхода.
КАК ДА ИЗБЕРЕТЕ РАЗДЕЛИТЕЛ:разделете потока на помпата на изходите на разделителя, за да получите потока за всеки сегмент.
Доставчик:
Испания
Връщане или размяна:
14 дни
Тегло на продукта:
3.85 кг
Гаранция:
6 месеца
Резба:
вход: 1/2" изход: 3/8"
мин. дебит:
6.4 л/мин
cm3/сегмент:
3.1cc
брой изходни сегменти:
4
Макс. поток:
13.2 л/мин
макс. налягане:
240 бара







