Нови артикули
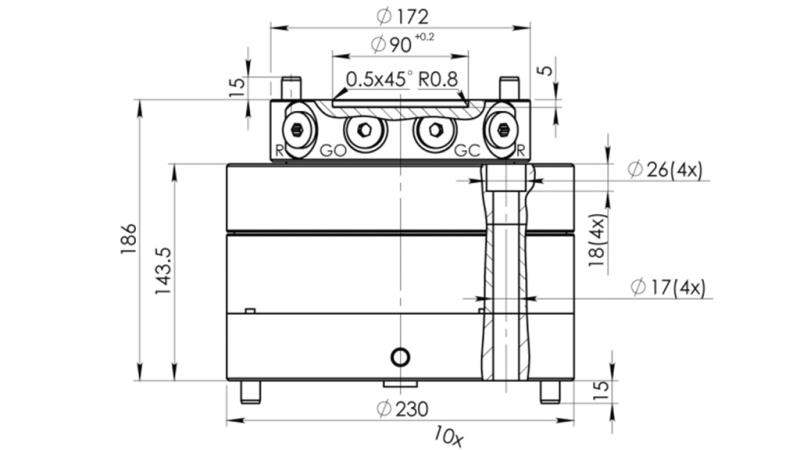
ХИДРАВЛИЧЕН РОТАТОР CPR5-01 10000/5000 KG
Описание:
'ХИДРАВЛИЧЕН РОТАТОР CPR5-01 10000/5000 KG'
Хидравличният ротатор за горски грайфери е ключов компонент, използван за повишаване на ефективността и гъвкавостта при работа с тежки товари, като трупи, клони и други материали. Този ротатор обикновено е проектиран да се прикрепя към края на телескопично рамо или върха на грайфера, позволявайки независима ротация и прецизно манипулиране и позициониране на товарите.
Хидравлична работа: Ротаторът се захранва от хидравлика, което позволява лесна и контролирана ротация на грайфера. Хидравличната система позволява прецизен контрол върху скоростта и посоката на ротация.
Неограничена ротация: Една от основните характеристики на ротатора за грайфери е пълната 360-градусова ротация. Това означава, че може да се върти в която и да е посока, което улеснява повдигането, позиционирането и разтоварването на материали в различни позиции.
Висока статична и динамична товароподемност: Ротаторите са проектирани да обработват тежки товари, като големи трупи или множество трупи наведнъж.
Здраво строителство: С оглед на изискванията на работните условия на горското оборудване, дизайнът на ротатора е много здрав за максимален живот.
Цел: Хидравличният ротатор за грайфери е ключов компонент на съвременното горско оборудване, който подобрява ефективността, безопасността и гъвкавостта при добив и обработка на дървесина. При избора на хидравличен ротатор е важно да се вземат предвид специфичните нужди на операцията и да се осигури съвместимост с наличното оборудване.









