Нови артикули
РЪЧЕН КЛАПАН ЗА ХИДРАВЛИЧЕН МОТОР MS ОТВОРЕН ЦЕНТЪР - 50ЛИТ
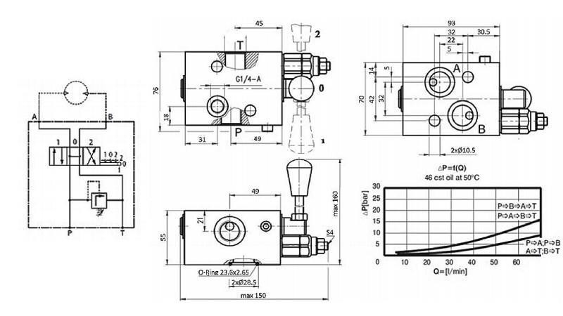
Описание:
Ръчният клапан е монтиран директно на хидравличния мотор и служи за контрол на него директно на хидравличния мотор.
Лостът на клапана позволява включване и изключване, както и смяна на посоката на въртене на хидравличния мотор.
Клапан 'ОТВОРЕН ЦЕНТЪР'- В неутрална позиция, хидравличният мотор не се върти. Той не е хидравлично задвижван, но валът на хидравличния мотор може да се върти с инерцията си или инерцията на товара.
Най-често се използва в приложения, където искаме задвижването да спре с инерцията на товара или да имаме възможност за самостоятелно въртене на задвижването - хидравличен мотор.
Клапан 'ЗАТВОРЕН ЦЕНТЪР'- В неутрална позиция, хидравличният мотор се върти, което означава, че инерцията на товара не може да го завърти.
Най-често се използва в приложения, където искаме задвижването да спре незабавно и да остане неподвижно след като задвижването - хидравличен мотор е изключен.






