Нови артикули
СКОРОСТНА КУТИЯ GR.3 -1:3 ЖЕНСКА
Код:
10896
OEM:
9990000008155
Данъчна ставка
22 %
Цена без ДДС:
288,56 BGN
Цена с ДДС:
352,04 BGN
Ref:
30
Употреба
Скоростната кутия се използва за увеличаване на оборотите на хидравличната помпа и следователно за увеличаване на потока на самата помпа.
Най-често се използва за разцепвачи на дърва, тракторни товарачи и други прикачни устройства за трактори.
Основно има мъжка версия с връзка чрез кардан и женска версия с щифт за директно монтиране на кардана на трактора.

Доставчик:
Италия
Връщане или размяна:
14 дни
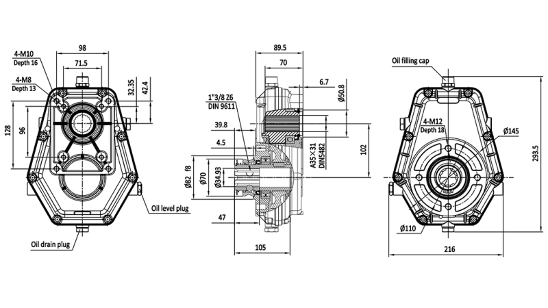
Свързване:
женски - 1" 3/8
Обороти:
макс. 3000 об/мин
Входен въртящ момент:
49 даNm
Изходен въртящ момент:
16 даNm
Тегло на продукта:
8.1 кг
Вход RPM:
540 об/мин
Изходни RPM:
1620 об/мин
Предавателно отношение:
1:3
Гаранция:
6 месеца
За натоварвания:
20 кВт









