Нови артикули
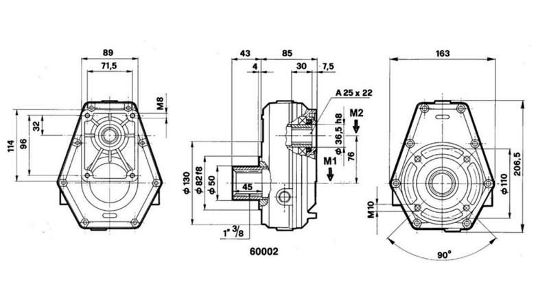
СКОРОСТНА КУТИЯ GR.2 -1:3 ЖЕНСКА
Код:
100596
OEM:
9990000071876
Данъчна ставка
22 %
Цена без ДДС:
208,40 BGN
Цена с ДДС:
254,25 BGN
Ref:
0
Употреба
Скоростната кутия се използва за увеличаване на оборотите на хидравличната помпа и следователно за увеличаване на потока на самата помпа.
Най-често се използва за разклонители за дърва, тракторни товарачи и други прикачни устройства за трактори.
Основно има мъжка версия с връзка чрез кардан и женска версия с щифт за директно монтиране на кардана на трактора.
Доставчик:
Италия
Връщане или размяна:
14 дни
Свързване:
женски - 1” 3/8
Обороти:
макс. 3000 об/мин
Входен въртящ момент:
18 даNm
Изходен въртящ момент:
5.5 daNm
Тегло на продукта:
5.5 кг
Вход RPM:
540 об/мин
Изходни RPM:
1680 об/мин
Предавателно отношение:
1:3
Гаранция:
6 месеца
работна температура:
от -20 до +180°C
За натоварвания:
10 кВт










