Nuevos Productos
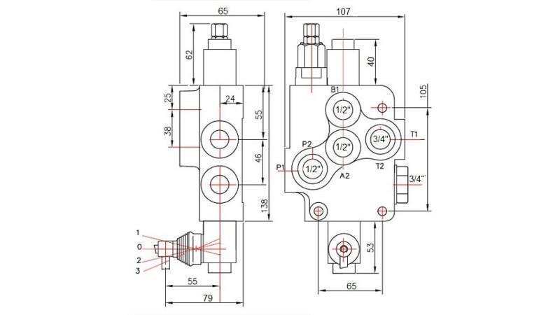
VÁLVULA HIDRÁULICA 1XZ80 + DE UN SOLO ACTUADOR C1
Descripción general:
La válvula hidráulica manual o mecánica Р80 está diseñada para la distribución y control del flujo de trabajo entre la bomba hidráulica y los consumidores (cilindros, motores hidráulicos…).
Las válvulas hidráulicas se utilizan para diversos fines en agricultura, industria, construcción, etc. para controlar:
- cilindros de un solo actuador
- cilindros de doble actuador
- motores hidráulicos
- funciones flotantes (para arado)
- joysticks (arriba-abajo, izquierda-derecha)
Se ensamblan en un bloque de 1 a 6 palancas.
Funcionamiento:
Todas las válvulas hidráulicas están equipadas con una válvula de seguridad. En la posición neutral (palanca en el medio), el aceite circula a través de la válvula. Cuando la palanca se mueve hacia un lado o hacia el otro, la válvula hidráulica hace que el cilindro se mueva o el motor hidráulico gire en una dirección o en la otra. Después de soltar la palanca, esta regresa automáticamente a la posición neutral, el motor hidráulico o cilindro se detiene en la posición actual, y el aceite circula nuevamente a través de la válvula. Es posible utilizar un elemento de 'centro cerrado', que cambia la válvula de modo que en la posición neutral el aceite no circule a través de la válvula o tal válvula ya no fluya. Al usar o conectar otras válvulas, es necesario utilizar el elemento de 'carry over', que permite el suministro de aceite para otras válvulas.
Para válvulas con husillos para función flotante, permite el flujo libre de aceite del cilindro, lo que significa que el cilindro se mueve libremente (o el quitanieves se adapta al terreno).
Las válvulas con husillos para cilindros de un solo actuador están destinadas a cilindros de un solo actuador.
Construcción:
Р80 es una válvula de distribución monobloque. Está hecha de hierro fundido EN-GJL300. Los husillos están hechos de acero al carbono y están cromados duro.
Conexiones:
El husillo se atornilla con dos tornillos M8.







