Νέα προϊόντα
PMRV-150 ΚΙΒΩΤΙΟ ΤΑΧΥΤΗΤΩΝ ΓΙΑ ΗΛΕΚΤΡΙΚΟ ΜΟΤΕΡ MS132 (7.5KW) ΑΝΑΛΟΓΙΑ 40:1
Επιπλέον περιγραφή:
| ηλεκτρικό μοτέρ | κιβώτιο ταχυτήτων | ροπή εξόδου M2 [Nm] | παράγοντας ασφαλείας - SF |
|---|---|---|---|
| 7.5kW (MS132) | RV-150 | 1550 | 1.0 |
Περιγραφή:
Τα κιβώτια PMRV χρησιμοποιούνται σε συνδυασμό με ηλεκτρικούς κινητήρες.
Το κιβώτιο ταχυτήτων μειώνει τις στροφές του ηλεκτρικού κινητήρα στην τιμή με την οποία θέλουμε να λειτουργήσουμε. Τα κιβώτια ταχυτήτων έχουν διαφορετικές αναλογίες 7.5:1 - 10:1 - 20:1 - 40:1.
Κατά την εγκατάσταση του κιβωτίου ταχυτήτων, βεβαιωθείτε πάντα ότι:
- τα δεδομένα στην πινακίδα ονόματος ταιριάζουν με τα δεδομένα του παραγγελθέντος αντικειμένου
- η θήκη και οι άξονες είναι καθαροί και χωρίς ζημιές
- η επιφάνεια στην οποία το κιβώτιο ταχυτήτων είναι προσαρτημένο είναι επίπεδη και αρκετά ισχυρή
- το κιβώτιο ταχυτήτων και ο άξονας του ηλεκτρικού κινητήρα ταιριάζουν καλά
- αν υπάρχει πιθανότητα δονήσεων ή μπλοκαρίσματος, πρέπει να εγκατασταθεί περιοριστής ροπής
- οι περιστρεφόμενες μέρη καλύπτονται με πλαστικά καλύμματα
- η συσκευή που χρησιμοποιείται σε εξωτερικούς χώρους πρέπει να είναι επαρκώς προστατευμένη από καιρικές συνθήκες
- οι συνθήκες λειτουργίας δεν προκαλούν διάβρωση (εκτός αν συμφωνηθεί προηγουμένως και το κιβώτιο ταχυτήτων και ο ηλεκτρικός κινητήρας είναι κατάλληλα προετοιμασμένα)
- τα γρανάζια, οι άξονες γραναζιών, οι είσοδοι/έξοδοι άξονες είναι σωστά ασφαλισμένα για να αποφευχθούν ραδινές ή αξονικές φορτίσεις που δεν υπερβαίνουν το μέγιστο επιτρεπτό όριο
- όλες οι συνδέσεις είναι επικαλυμμένες με αντιδιαβρωτικό υλικό για να αποτραπεί η οξείδωση κατά την επαφή
- όλες οι βίδες στερέωσης πρέπει να είναι σφιγμένες με ασφάλεια
Όλοι οι υπολογισμοί βασίζονται σε ηλεκτρικούς κινητήρες με 1400 στροφές. Εάν χρησιμοποιείτε ηλεκτρικό κινητήρα με διαφορετική ταχύτητα από 1400 στροφές ανά λεπτό, διαιρέστε τις εισερχόμενες στροφές με την αναλογία του κιβωτίου ταχυτήτων για να λάβετε τις εξόδους στροφών.
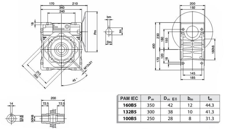
Περισσότερα τεχνικά δεδομένα μπορείτε να βρείτε στο συνημμένο 'ΔΙΑΣΤΑΣΕΙΣ - ΦΥΛΛΟ ΔΕΔΟΜΕΝΩΝ'.







