Novi artikli
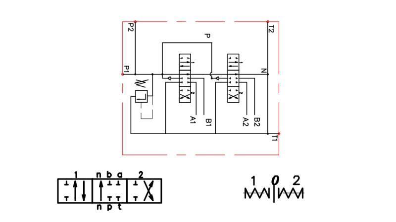
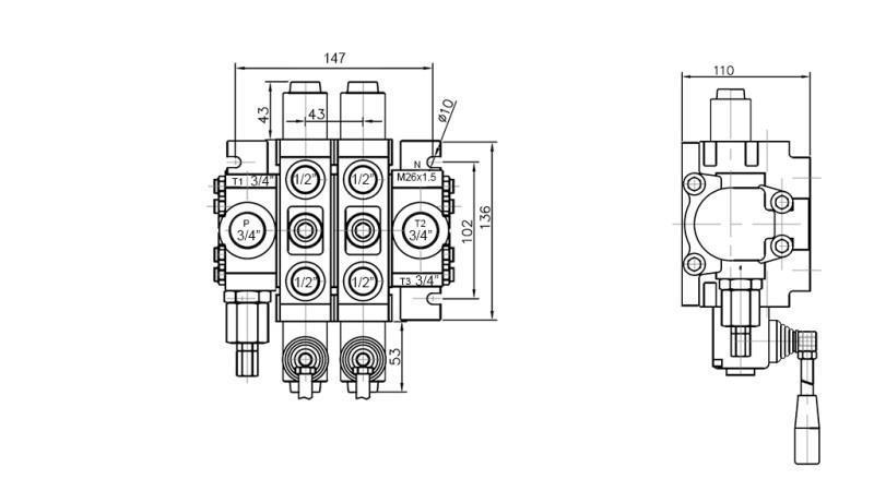
HIDRAVLIČNI VENTIL 2xPC70
Šifra:
12157
OEM:
9990000065516
Stopnja davka
22 %
Cena brez DDV:
163,93 EUR
Cena z DDV:
200,00 EUR
Ref:
12

Informativen izračun ob nakupu na obroke
polog0,00 EUR
3 × 72,41 EUR
polog0,00 EUR
6 × 36,61 EUR
polog0,00 EUR
12 × 18,71 EUR
Dobavitelj:
Bolgarija
maksimalni tlak priključek "T":
50 bar
Vračilo ali menjava:
14 dni
Teža izdelka:
10,20 kg
Nazivni pretok:
70 lit/min
Garancija:
6 mesecev
Delovna temperatura:
-40 do + 60°C
maksimalni tlak priključek "P":
250 bar
Delovna temperatura olja:
-15 do +80°C
tovarniško nastavljen varnostni ventil:
180 bar
območje nastavitve varnostnega ventila:
50-250 bar
maksimalni tlak priključek "A" in "B":
300 bar


.jpg)



