Új termékek
HIDRAULIKUS SZÍVATTYÚ SEGÉDHAJTÁS - VOLVO R6-1
Kód:
12879
OEM:
9990000081127
Adó mértéke
22 %
Ár áfa nélkül:
33.290,17 HUF
Ár áfával:
40.614,01 HUF
Ref:
1
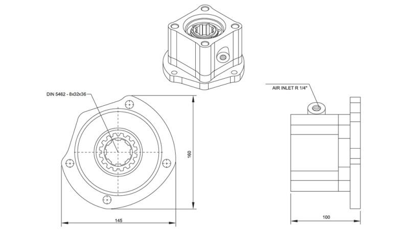
LEIRÁS:
A kimenetek olyan teherautók számára alkalmasak, ahol hidraulikus szivattyút kell telepíteni. Lehetőség van egy öntöttvas szivattyú típus telepítésére:
ISO (rögzítőszivattyú három (3) csavarral)
UNI (rögzítőszivattyú négy (4) csavarral)
Alkalmas sebességváltók típusához:
R 62-SR61-R62/MR 62 B
Járművekhez: Volvo
F 7-F 10-F 12-F 88-F 89-F 1020-F 1225-N 10-N 12 VOLVO
Szállító:
Törökország
Típus:
UNI (4 csavar)
Visszatérés vagy csere:
14 nap
tervezett felhasználás:
245 Nm
vezérlés:
pneumatikus
Forgások:
780 rpm
Termék súlya:
6 kg
Garancia:
6 hónap
szerelés:
hátsó
sűrűség:
26.5 Hp (19.8 kW)
kötélhúzási sebesség:
1:1.2






