Jauni produkti
HIDRAULISKAIS VĀRSTS HIAB 8XPC70 + 2X EURO JOYSTICK 3 POZ
Vispārīgs apraksts:
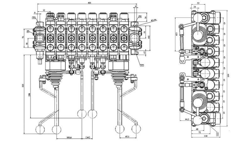
Rokas vai mehāniskais hidrauliskais vārsts РC70 ir paredzēts darba plūsmas sadalīšanai un vadīšanai starp hidraulisko sūkni un hidrauliskajiem cilindriem.
Hidrauliskais vārsts tiek izmantots mežsaimniecības piekabēm – (HIAB).
Sastāv no 8 segmentu bloka.
Darbība:
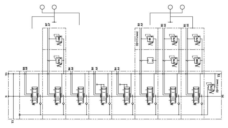
Visi hidrauliskie vārsti ir aprīkoti ar drošības vārstu. Neitrālā stāvoklī (rokturis centrā) eļļa cirkulē caur vārstu. Pārvietojot rokturi vienā vai otrā virzienā, hidrauliskais vārsts izraisa cilindra kustību vai hidromotora griešanos vienā vai otrā virzienā. Pēc roktura atbrīvošanas tas automātiski atgriežas neitrālā stāvoklī, hidromotors vai cilindrs apstājas pašreizējā stāvoklī, un eļļa atkal cirkulē caur vārstu. Iespējama tā sauktā 'slēgtā centra' elementa izmantošana, kas vārstu padara tā, ka neitrālā stāvoklī eļļa necirculē caur vārstu, un šāds vārsts vairs nav plūstošs. Izmantojot vai pieslēdzot citus vārstus, nepieciešams izmantot elementu 'carry over', kas nodrošina eļļas piegādi arī citiem vārstiem.
Vārstiem ar vārpstu plūstošai funkcijai, tā ļauj cilindram brīvu eļļas plūsmu, kas nozīmē, ka cilindrs brīvi pārvietojas (vai sniega lāpsta pielāgojas reljefam).
Vārsti ar vārpstu vienvirziena cilindram ir paredzēti vienvirziena cilindram.
Būve:
РC70 ir monobloka sadales vārsts. Izgatavots no čuguna EN-GJL300. Vārpstas izgatavotas no oglekļa tērauda un ir cieti hromētas.
Pieslēgumi:
Vārpsta ir pievienota ar diviem M10 skrūvēm.











