Jauni produkti
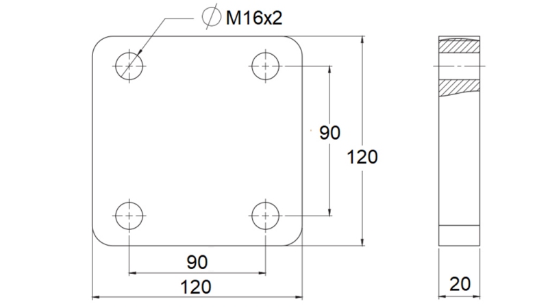
MONTĀŽAS FLANŠS GRIEŽAMAM PAVADZĪTĀJAM FI42 KORPUSĀ
Produkta kods:
14253
OEM:
9990000168828
Nodokļu likme
22 %
Cena bez PVN:
9,84 EUR
Cena ar PVN:
12,00 EUR
Ref:
11
Piegādātājs:
Turcija
Atgriešana vai apmaiņa:
14 dienas
Garantija:
6 mēneši
cauruma diametrs:
M16x2






