Nye artikler
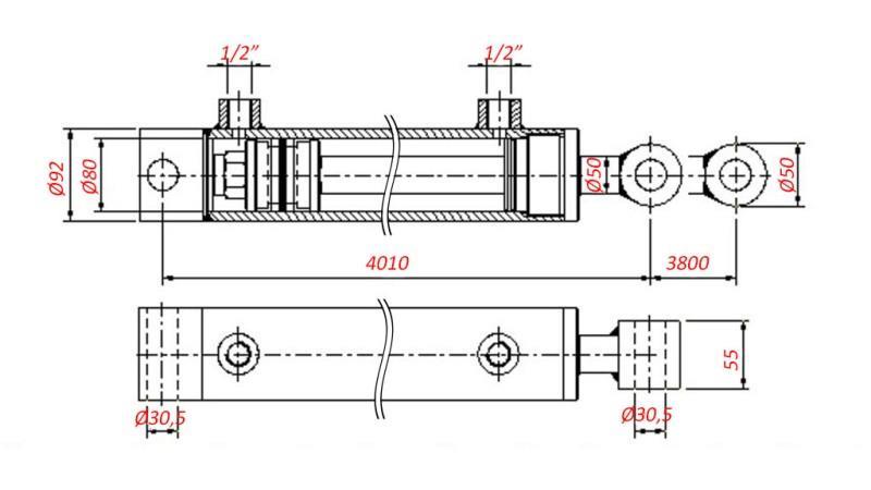
HYDRAULISK SYLINDER FOR TAUBIL - HOLE 80/50-3800
MERK: STØRRE VARE (mulig endring i fraktkostnader, i så fall vil vi varsle deg på telefon)
Kode:
100781
OEM:
9990000091546
Skattesats
22 %
Pris uten MVA:
8.081,48 NOK
Pris med MVA:
9.859,41 NOK
Ref:
10
Beskrivelse:
Hydraulisk sylinder for taubil, beregnet for å flytte hele plattformen eller tilhengerplattformer og lignende systemer.
Leverandør:
Italia
sammentrekkskraft av sylinderen (ved 250 bar):
7,65 tonn
Retur eller bytte:
14 dager
strekkraft av sylinderen (ved 250 bar):
12,56 tonn
Produktvekt:
115 kg
Garanti:
2 år
maksimal hastighet:
0,5 m/s
strekkraft av sylinderen (ved 180 bar):
9,04 tonn
sammentrekkskraft av sylinderen (ved 180 bar):
5,51 tonn
max. trykk:
250 bar









