Nové položky
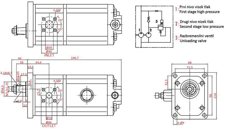
HYDRAULICKÉ ČERPADLO GR.2 HI-LO 22C3,5/6,5X815R
Kód
13697
OEM
9990000102327
Sadzba dane
22 %
Cena bez DPH:
254,10 EUR
Cena s DPH
310,00 EUR
Ref:
1
Popis:
Hydraulické čerpadlo Hi-Low (vysoké-nízke, HL) sa používa v systémoch, kde je potrebný vysoký a nízky tlak na prevádzku. To znamená, že sú ideálne pre aplikácie, kde je potrebný pomalý pohyb pod ťažkými nákladmi a rýchlejší pohyb pod nízkym zaťažením. Odtokový ventil sa otvára pri 65 baroch.
Dodávateľ:
Bulharsko
Vrátenie alebo výmena:
nie je možné
cm/otočenia:
predná: 3.5cm3, zadná: 6.5cm3
Hmotnosť produktu:
5.60 kg
Záruka:
6 mesiacov
max. ot./min:
3000 ot./min
max. tlak:
predná: 250 bar, zadná: 70 bar










